出品:科普中国
作者:李瑞(半导体工程师)
监制:中国科普博览
在数字时代的洪流中,我们享受着智能手机、平板电脑带来的便利,却很少思考这些电子设备最终的归宿。当它们完成使命,走向生命终点时,往往成为地球沉重的负担——电子垃圾正以惊人的速度增长,其处理方式若不当,可能对生态环境与公共健康带来不容忽视的挑战。
然而,在中国科学技术大学的实验室里,一种微生物的力量正在重新改写电子材料的命运:细菌成为了“纺织工”,编织出一种既高性能又可完全生物回收的介电薄膜,为可持续电子产业开辟了全新的道路。

可闭环降解纤维素基介电薄膜的照片
(来源:参考文献[1])
微观世界的“纺织车间”
想象一下,如果我们能让细菌像蚕吐丝一样,为我们“编织”出高性能的电子材料,那会是怎样的奇妙景象?中国科学技术大学俞书宏院士团队将这个奇思妙想变成了现实。他们开发的“气溶胶辅助生物合成”技术,就像为细菌搭建了一个精密的“纺织车间”。
在这个微观的工厂里,醋酸葡糖杆菌扮演着勤劳的“纺织工”角色。科学家们巧妙地控制营养物质和玻璃微珠的供给时机,引导细菌按照预设的“图纸”进行工作。
整个过程分为三个精心设计的阶段:首先,细菌仅接受营养气溶胶的滋养,专心致志地将葡萄糖转化为纤维素纳米纤维,形成三维网络结构的基础层;接着,玻璃微珠气溶胶加入“生产线”,细菌将这些微小的空心球体巧妙地编织到纤维网络中,创造出中间的复合层;最后,回归到第一阶段的模式,形成上层的保护结构。
这种生物制造过程的精妙之处在于,细菌会本能地向氧气丰富的区域移动,穿过密堆积的玻璃微珠之间的空隙,留下分泌的纤维素纳米纤维,形成连续的三维网络。这就像是大自然的建筑师在微观尺度上精心设计的“三明治”结构,每一层都有着独特的功能,整体却浑然一体。

通过X射线显微断层扫描获得的薄膜三维重构图
(来源:参考文献[1])
性能与可持续性的完美邂逅
传统的电子材料往往面临着性能与环保之间的两难选择:要么性能卓越但难以回收,要么环境友好但性能平庸。然而,这种由细菌“编织”的纤维素基介电薄膜却实现了两者的完美结合,仿佛是材料科学领域的“鱼与熊掌兼得”。
从性能角度来看,这种生物制造的薄膜展现出了令人惊叹的综合优势。比如,它具有高达117兆帕的拉伸强度,足以承受各种机械应力;介电常数低至1.33,在宽频率范围内保持稳定,这意味着在高频电路中能够最大程度地降低信号损耗;热膨胀系数极低,远低于大多数商用介电聚合物,温度变化时尺寸几乎保持不变。更令人称赞的是,这种薄膜还具有良好的柔韧性和光滑的表面,经过10万次120度弯曲测试后,仍能保持93%的拉伸强度。
这些卓越性能的秘密隐藏在材料的独特结构中。玻璃微珠的引入创造了高孔隙率结构,大量空气存在于密堆积的玻璃微珠内部以及它们之间的空隙中,这正是低介电常数的关键所在。与传统合成聚合物玻璃微珠介电材料不同,生物活性驱动的制造策略不仅确保了高含量玻璃微珠的引入,增加了微珠内部空气的贡献,还通过纤维素的有效结合最大程度地保留了密堆积玻璃微珠之间的空气,从而实现了优异的介电性能。

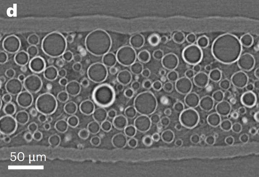
纤维素基介电薄膜中间层的扫描电子显微镜(SEM)图像
(来源:参考文献[1])
废料回收的生物奇迹
如果说高性能让这种材料在电子产业中占据一席之地,那么它的可循环特性则为整个行业的可持续发展指明了方向。它的闭环生物回收能力,能够使其在使用寿命结束后,通过温和的生物过程完全分解并重新成为制造原料。
回收过程如同一个精妙的生物化学循环。当电子设备报废后,科学家们使用纤维素酶来解构这些薄膜——这种酶就像一把精确的“分子剪刀”只“剪”纤维素,而不会影响其他组分。整个降解过程在50摄氏度的温和条件下进行,无需高温高压,也不涉及有毒化学品。

基于纤维素介电薄膜的电子器件闭环生物回收循环过程的完整流程
(来源:参考文献[1])
在酶的作用下,纤维素逐渐分解,玻璃微珠因为密度差异会自然浮起,可以用注射器轻松分离。通过离心过程,回收的银和葡萄糖溶液得以分离。
分析显示,分离得到的玻璃微珠保持着与原始微珠相同的微观结构和尺寸分布,银的纯度高达99.66%,而葡萄糖则可以选择性地被细菌重新利用。经过灭菌处理后,这些分离的组分可以再次投入到新的生物制造过程中,形成真正的闭环循环。

可持续电子器件在酶降解过程中的照片
(来源:参考文献[1])
从实验室到现实应用的桥梁
科学研究的价值最终体现在其实际应用中。这种细菌“织”的薄膜,不是实验室的样品,而是能真的用到电子设备里。研究团队制作了多种电子器件,并与商用环氧基板进行了对比测试。结果表明,在1-5吉赫兹的宽频率范围内,基于纤维素介电薄膜的电子器件的信号损耗明显低于商用环氧材料,这意味着它在无线通信产业中具有巨大的应用潜力。
稳定性测试也进一步证明了这种材料的实用价值。经过约一年的储存,电子器件的性能与初始状态几乎完全相同;即使在75%湿度环境中储存24小时,通过简单的硅烷化处理也能保持优异性能;电子器件还能承受150摄氏度的高温热冲击而不出现明显的信号损耗增加。
这些测试结果表明,这种生物制造的介电薄膜已经具备了走向产业化应用的基础。
环境友好的经济账本
在追求可持续发展的今天,任何新技术都必须通过环境和经济的双重考验。研究团队进行的全生命周期评估显示,与商用环氧二氧化硅复合介电薄膜相比,这种生物制造的纤维素介电薄膜在所有环境影响类别中都表现更优。虽然玻璃微珠的上游生产是主要的环境影响贡献源,但纤维素酶回收玻璃微珠的环境影响远低于生产同等数量新玻璃微珠的影响,这意味着闭环回收将进一步降低环境足迹。
但很多人肯定会觉得,这么好的材料肯定贵的离谱。但其实,这种生物制造介电薄膜的成本与商用介电薄膜相当。虽然较低的产量和对发酵培养基的高需求导致成本比植物来源纤维素纳米纤维组装的复合薄膜要高,但其优异的综合性能使得增加的成本显得可以接受。更重要的是,随着生物乙醇通过木质纤维素生物质生产的发展,纤维素酶的成本已在过去几十年中大幅下降,低回收成本和无材料性能妥协的特点进一步突出了这种纤维素基介电薄膜的经济重要性,长期看来反而更划算。
细菌织就绿色电子未来
这项研究的意义,不只是单一材料的创新,还为整个电子产业的可持续发展提供了一个全新的思路。它不仅仅是一种新材料,更是一种新理念——将生物学的智慧与工程学的精确相结合,创造出既满足人类需求又与自然和谐共生的解决方案。基于气溶胶辅助生物合成和特异性纤维素酶水解的闭环生物回收策略,对开发下一代可持续电子材料具有重要的启发意义。
未来,随着这项技术的不断完善和产业化程度的提高,或许更多具有内在可回收性的电子材料和器件制造方法将会涌现。从手机到电脑,从传感器到通信设备,电子产品的每一个组成部分都有可能实现真正的可持续性,“从废料到新生的循环”成为将常态而非例外。
我们站在技术革新的十字路口,在这个由细菌“编织”的绿色电子未来中,技术进步与环境保护不再是相互冲突的选择,而是相互促进的伙伴。当我们使用这些可持续电子产品时,或许会想起那些在显微镜下辛勤工作的“纺织工”们,正是它们的默默奉献,为我们编织出了一个更加美好、更加绿色的数字世界。
参考文献:
1.Zhao, Yu-Xiang, et al. "Closed-loop bio-recyclable dielectric films for sustainable electronics." Nature Sustainability (2025): 1-10.

来源: 中国科普博览
内容资源由项目单位提供
科普中国公众号
科普中国微博

帮助
中国科普博览 