惯性矩(moment of inertia of an area)是一个几何量,通常被用作描述截面抵抗弯曲的性质。惯性矩的国际单位为(m4)。即面积二次矩,也称面积惯性矩,而这个概念与质量惯性矩(即转动惯量)是不同概念。1

定义

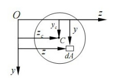
面积元素dA与其至z轴或y轴距离平方的乘积y2dA或z2dA的积分,分别称为该面积元素对于z轴或y轴的惯性矩或截面二次轴矩。惯性矩的数值恒大于零。

对Z轴的惯性矩:

对Y轴的惯性矩:

截面对任意一对互相垂直轴的惯性矩之和,等于截面对该二轴交点的极惯性矩。

极惯性矩常用计算公式:

矩形对于中线(垂直于h边的中轴线)的惯性矩:

三角形:

圆形对于坐标轴的惯性矩:

圆形对于圆心的极惯性矩:3

环形对于圆心的惯性矩:

需要明确因为坐标系不同计算公式也不尽相同。

结构构件惯性矩Ix

结构设计和计算过程中,构件惯性矩Ix为截面各微元面积与各微元至与X轴线平行或重合的中和轴距离二次方乘积的积分。主要用来计算弯矩作用下绕X轴的截面抗弯刚度。

结构构件惯性矩Iy

结构设计和计算过程中,构件惯性矩Iy为截面各微元面积与各微元至与Y轴线平行或重合的中和轴距离二次方乘积的积分。主要用来计算弯矩作用下绕Y轴的截面抗弯刚度。

静矩

静矩(面积X面内轴一次)把微元面积与各微元至截面上指定轴线距离乘积的积分称为截面的对指定轴的静矩Sx=∫ydA。

静矩就是面积矩,是构件的一个重要的截面特性,是截面或截面上某一部分的面积乘以此面积的形心到整个截面的型心轴之间的距离得来的,是用来计算应力的。

注意:

惯性矩是乘以距离的二次方,静矩是乘以距离的一次方,惯性矩和面积矩(静矩)是有区别的。

分类

截面惯性矩

截面惯性矩(I=截面面积X截面轴向长度的二次方)

截面惯性矩:the area moment of inertia

characterized an object's ability to resist bending and is required to calculate displacement.

截面各微元面积与各微元至截面某一指定轴线距离二次方乘积的积分Ix= y^2dF。

同一截面对于不同坐标轴的惯性矩一般不同。截面对于任一坐标轴的惯性矩 ,等于其对自身形心轴的惯性矩加上截面面积与两轴间距离的平方之乘积,此定理为惯性矩平行轴定理。2

截面极惯性矩

截面极惯性矩(Ip=面积X垂直轴二次)。

扭转惯性矩Ip: the torsional moment of inertia

极惯性矩:the polar moment of inertia

截面各微元面积与各微元至某一指定截面距离二次方乘积的积分Iρ= ρ^2dF。

a quantity to predict an object's ability to resist torsion, to calculate the angular displacement of an object subjected to a torque.

主惯性矩

惯性积等于零的一对正交坐标轴称为主惯性轴。图形对于主惯性轴的惯性矩为主惯性矩。

当一对主惯性轴的交点和截面的形心重合时,则这对轴为形心主惯性轴。图形对于形心主惯性轴的惯性矩为形心主惯性矩。

相互关系

截面惯性矩和极惯性矩的关系。

截面对任意一对互相垂直轴的惯性矩之和,等于截面对该二轴交点的极惯性矩Ip=Iy+Iz。

平行移轴定理

其中 Iy, Iz是截面对坐标轴的惯性矩,Iyz是截面对坐标轴的惯性积;Iyc, Izc是截面对形心轴的惯性矩,Iyz是截面对形心轴的惯性积;a,b分别指的是形心距y轴、z轴的距离;A指的是截面面积。

来源: 百度百科

内容资源由项目单位提供