简介

变压器的变比K(即电压比)是在变压器空载条件下,高压绕组电压U1和低压绕组电压U2之比。

对于三相变压器而言,铭牌上的变比通常是指高压绕组额定线电压U1N和低压绕组额定线电压U2N之比。当需要运用变比做变压器等值电路的计算时,由于等值电路反映的是变压器一相绕组的参数情况,则应采用相电压的比值来计算,使之与各绕组的匝数成正比,更能反映各相的绕组状况。根据变压器的工作原理分析可知该比值也就是变压器各相高压绕组匝数N1与低压绕组匝数N2之比:K=U1/U2=N1/N21。

电压互感器一次绕组与二次绕组之间的电压比或电流互感器流过一次绕组与二次绕组电流比。

变比测量电流互感器

1.采用电流法测量电流互感器的变比

电流法测量电流互感器的变比是一种传统的试验方法,现在各发电厂,变电站等基本上都采用该方法。它的试验接线如图1所示。由电流表A1可以测得标准电流互感器的二次电流i1,根据标准电流互感器的变比可以计算出被测电流互感器的一次侧电流 ,表A2测得的是它的二次侧电流i2,由I1和i2即可计算出被测电流互感器的变比

在用电流法测试电流互感器的变比试验中一般采取以下两个措施:

(1)电流互感器的一次侧试验电流接近其额定电流。

(2)电流互感器的二次侧仅串接一块电流表以使电流互感器近似短路运行。

从理论上来说,用电流法测量电流互感器的变比实际上是模拟它在额定情况下的实际运行,是一种非常理想的试验方法,测量的精度比较高,在现场试验中,措施(1)和(2)也还比较容易实现。

2.采用电压法测量电流互感器的变比

电压法测量电流互感器的变比是一种新型的试验方法,它需要的试验设备比较少,其试验接线如图3所示。

由于电流互感器二次绕组的电阻和漏抗值都比较小,一般为1~15,只要控制励磁电流I0在一个合适的范围内(mA级),U2与E2之间的差值带来的误差就可以忽略不计,用电压法测量电流互感器的变比就可以取得非常高的精度2。

变压器

目前常用测量方法有双电压表法和变比电桥法。

(1)双电压表法

用双电压表法测量时,一般在变压器的一次侧施加电源电压,整个测试过程中应保持试验电源的稳定性,在变压器的两侧分别用精度不低于0.5级的电压表或精度不低于0.2级电压互感器测取电压计算变比,并且2块电压表应同时读数,特别是在电压波动较大的时候,尤其要注意这点。为确保测量的准确度,试验电源电压以高于加压侧额定电压的1/3以上为宜。这种测量变比的方法所采用的试验设备均为常用测量仪器仪表,较容易取得。

对于单相变压器,可以直接用测试结果得到变比。测量三相变压器时,可以使用单相电源,也可以用三相电源做为测试电源。如果使用三相电源,应施加对称的三相试验电源电压作用在对应绕组的同极性端,并要求测量时所使用的三相电源电压必须三相保持对称、稳定,其三相的不平衡度不应超过2%。若三相电源电压存在不完全对称的情况,将导致线电压与相电压的关系变化,需要进行转换时两者的关系比不再是 ,使得变比计算时出现误差,影响测试结果的分析判断。

采用三相电源所测量计算出的变比即变压器的线电压之比。采用单相电源测量三相变压器的变比时,测量步骤较多,但测量值能够直接反映该相的绕组匝数比,从而找到存在绕组缺陷的相别,并且不需要考虑测量值是否受到电源三相电压不对称的影响。当使用单相电源分相测量三相变压器的变比时,在采用三角形连接的绕组中,非测试相绕组必须短接,从而使非被测相绕组中无励磁电流流过,所测得的变比仅反映加压相的情况。以Y,yn(同Y,y)接法的变压器为例,电压表的接线如图1所示。

当采用单相电源测量三相变压器变比,加压端子为UV时不同接线组别的变压器变比计算方法如表1所示。

试验中对测试回路接线时,应确保电压表的连线可靠,测试线尽可能短,避免因引线过长而造成测量误差。

双电压表法虽然原理简单、容易测量,但试验电压高、不安全、所用表计精密度要求高,所得结果会受到电压互感器的误差、仪表接线电阻的误差、现场电磁干扰、试验电压高低等因素的影响。

(2)变比电桥法

变比电桥是测量变压器变比的专用电桥,具有简便、可靠、准确度高、灵敏度高的优点,通常其准确度可达到0.1%以上,并且试验电压低、安全,可直接读取变比误差。若采用自动变比测量仪,还能在测量变比的同时完成变压器连接组别的测量,并能够测量变压器的绕组极性,实现量程自动切换、自动记录和计算分析试验数据等功能。

变比电桥根据测试原理的不同有2种类型:

①电阻电桥

是将变压器的一次和二次绕组连接构成电桥的2个桥臂,与变比电桥中的2组电阻一起形成电桥电路,在变压器一次侧施加测试电压U1,通过对调节电阻值的调整使电桥达到平衡状态,利用电压比等于电阻比的特点,通过对电阻比的测量得到变压器的变比值。此类电桥对于电桥各个旋钮的要求比较高,各旋钮的接触电阻应尽量一致,并在各种工作条件下,接触电阻值能够稳定不变,以确保测量结果的准确性。

② 感应式电桥

是将变压器的一次和二次绕组与变比电桥中的标准电压互感器的2个绕组连接构成电桥的4个桥臂,通过对标准电压互感器电压比的调节,使电桥达到平衡,此时标准电压互感器的电压比即为变压器的电压比。由于此类电桥检测的是电压信号而不是电阻值,故对接触电阻的要求较电阻电桥的低,其测量误差主要与电桥内标准电压互感器的准确度有关。

以常用的QJ35型变比电桥为例,在使用前应根据变压器绕组的极性或接线组别正确连接电桥与被试变压器,并正确选择放置短接开关和极性开关的位置。测试前将试品的额定K值根据铭牌数值计算出来并取4位有效值,然后按计算出来的结果设置电桥上的K值。插上电源,注意核对相线与中性线的正确性。试验通电前可先将灵敏度旋至最大,调节零位使微安表指向零位。试验通电后的调节过程中必须注意微安表指针不超过满刻度。调整误差盘,当微安指零时误差盘上的指示即为变比误差。试验中进行三相变换时,应先降低并切断试验电压,切不能带电进行接线变更。测试完毕,应将电桥的所有开关放在“关”或“零位”1。

合理选择意义

变压器变比

变压器是电力网和电力用户重要的电源设备,它的安全和经济运行直接关系到整个电网管理部门和各大用户企业的经济效益,对于电力网的一级负荷铁路企业也是如此。

电气化铁路是电网的超大用电户。以西安铁路局管内为例,日列车对数在一百三十对以上、最大牵引定数为4000吨的繁忙干线陇海复线,供电区间为30千米的牵引变电所,日用电量都在20万千瓦时以上;日列车对数在一百对左右、最大牵引定数在3500吨左右的单线,供电区间在40千米左右的牵引变电所,日用电量也在10万千瓦时左右。电气化铁路是各种变压器的使用大户,各类等级的变压器种类数量众多。西安铁路局管内电气化铁路牵引变电所计有五十多个,每个变电所除至少有两台牵引变压器外,还有两台自用变、动力变等,还包括大量的供铁路信号、照明及其它低压用电的10千伏等级及以下的变压器。合理选择变压器的变比,有利于变压器的合理利用和经济运行,达到节约成本投资的目的3。

电压、电流互感器变比

电流互感器是一次系统与二次系统的联络设备,其作用是:

(l)将一次回路的大电流变为二次回路标准的小电流,向测量仪表,继电器等二次设备的电流绕组供电。

(2)使二次设备与高压部分隔离,从而可保证设备和人身的安全。

作为电力系统中的一个非常关键的设备,它的电气试验也就显得异常的重要。无论是按照老标准的要求,还是按我国现行的电力规程的要求,电流互感器安装前或者更换绕组后的变比检查都是一个非常重要的试验项目2。

在输电线路的综合运行中,由于线路两端距离的限制,在实验综合管理中,就会形成光纤保护在长距离以及超高压输电线路中的应用型,具有一定的局限性,因此,在长远的发展中,要形成在输电线路中TA、TV变比的选择性原则,形成施工工艺的整体完善与技术提升的综合运用4。

在继电保护的过程中,对于整个输电线路的自动化装置在电力系统的作用发挥,主要是形成电力系统的正常运行,其中,在审定的电力系统的原则与系统接线的自动装置设计中,通过与相关规定的技术规定,形成对继电保护中输电线路 TA、TV、变比的选择。在电网继电保护的可靠性与速动性的要求中,实现在装置的选型、配置、实验等方面的综合措施,更好的实现电网运行的安全性能4。

变比选择原则输电线路上TA的配置原则

在TA的型号的选择中,针对电感互感器的型号选择,主要是依据相应的环境条件,以及产品的整体情况等,在具体计算中,一次电压可以采用Ug=Un的表达计算方式,其中,Ug主要是指电流互感器安装处的一次回路工作电压,Un主要是指电流互感器的额定电压。

在一次电压的计算公式Ug=Un运行中,可以全面的计算出整个一次电压。此外,在一次回路电流的计算中,可以通过I1n≥Igmax的计算公式,其中,Igmax主要就是一次回路的最大电流;I1n主要是指一次额定电流。可以计算出一次回路电流的相关数据。同时,在等级的准确计算中,主要是对于保护装置的选用,是集中体现为0.5级,在适当提高仪表的过程中,实现对整个技术的全面控制。在二次负荷的计算公式中,采用是S2≤Sn的计算公式,其中,S2就是二次负荷,Sn就是额定负荷。这样,在计算中,可以通过对输电线路的综合管理,形成CT的选择,并通过最大极限来实现对电流的选择4。

输电线路上TA的配置原则

在TV的计算变比过程中,在型号的选择中,主要是电压互感器型号选择上突出使用条件的运用,在全面检查一次回路单相接地的过程中,采用的主要是三相电压互感器的运行,可以实现在电压互感器精确等级下的工作,并接入一定的测量仪表,在继电器与自动装置中形成对二次负荷的计算,也就是S2≤Sn的计算运用。同时,在TV变比的型号选择中,由于线路电压为220kV,因此,在型号的选择上使用的是YDR—220型号,这种型号的运用,突出实现在电压互感器、单相以及电容式的选择中,形成多方面的技术控制。同时,可以采用多角度的配置方式,实现对TV变比的综合计算,在输电线路与继电保护的综合功能中,结合电力系统规程,更好的对整个管理与技术提供相应的服务4。

变压器变比配置原则

传统的变压器变比的选择要考虑到诸多因素。首先要考虑到电网的运行要求、电力系统的协议及规定,既要保持电力系统运行的稳定性,又要保证系统运行损耗较小;其次要考虑到电力用户的具体需求和要求,根据实际情况和运行制式确定所需求的电压;最后论证所要求的变压器的变比。随着新材料、新技术的不断开发和利用,电力绝缘水平的不断提高,传统的选择方法不但经受着新的考验,而且也在不断被改变和加入新的因素。

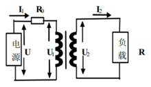
本着降低电能损耗、节约电力能源的目的,从负荷侧需求着想,将新的变压器变比的计算和选择方法提供如下,供同行和专家参考。一般的供电系统结构如右图1。

无论哪一级用户,都需要一个从输出端到输入端、到变压器、再到变压器低压侧、再输出输送到负荷的一个路径(电路)。

电源到变压器再到负荷的电路图如图2所示:设电源侧输出电压为U,输电线电阻为R0(若用户接在地方变电所输出变压器的输出侧,也可认为输出电压为u0,也可设电源的电动势为ε,内阻为r)变压器的原边匝数为n1,次边匝数为n2,接在变压器次边上的负载电阻为R。在相同容量电源前提下,用户需要电源输出最大的功率。由上图可知,即要求负载上消耗的功率最大3。