圆柱头内六角螺钉,也简称内六角螺栓,杯头螺丝,内六角螺钉,其叫法不一样,但所代表的意思是一样的。一般常用的内六角圆柱头螺钉的话还有4.8级,8.8级,10.9级,12.9级。也叫内六角螺丝,也叫内六角螺栓。其头部是内六角头的,也是圆柱头的。按材质分有不锈钢的和铁的。不锈钢的有不锈钢SUS202内六角圆柱头螺钉,这个是不锈钢普通材质的,有不锈钢SUS304内六角圆柱头螺钉,有不锈钢SUS316内六角圆柱头螺钉。铁的按内六角圆柱头螺钉强度等级分,有4.8级内六角圆柱头螺钉,有8.8级内六角圆柱头螺钉,有10.9级内六角圆柱头螺钉,有12.9级内六角圆柱头螺钉。8.8级-12.9级内六角圆柱头螺钉叫高强度高等级的内六角螺栓。
中文标准名称StandardTitle in Chinese: 内六角圆柱头螺钉
发布日期 IssuanceDate: 2008-8-25
实施日期 ExecuteDate: 2009-2-1
首次发布日期 FirstIssuance Date: 1958-10-7
标准状态 StandardState: 现行
计划编号 Plan No: 20063990-T-604
代替国标号 ReplacedStandard: GB/T 70.1-2000
采用国际标准号 AdoptedInternational Standard No: ISO 4762:2004
采标名称 AdoptedInternational Standard Name: 内六角圆柱头螺钉
采用程度 ApplicationDegree: IDT
采用国际标准 AdoptedInternational Standard: ISO
国际标准分类号(ICS): 21.060.10
中国标准分类号(CCS): J13
标准类别 StandardSort: 产品
主管部门 Governor: 中国机械工业联合会
归口单位 TechnicalCommittees: 全国紧固件标准化技术委员会
基本参数规格种类内六角圆柱头螺钉的国家标准国标号为国标GB70-1985,规格尺寸有很多,常用规格标准有3*8 ,3*10,3*12,3*16,3*20,3*25,3*30,3*45,4*8,4*10,4*12,4*16,4*20,4*25,4*30,4*35,4*45,5*10,5*12,5*16,5*20,5*25,6*12,6*14,6*16,6*25,8*14,8*16,8*20,8*25,8*30,8*35,8*40等等。1
硬度内六角螺栓按螺丝线材的硬度,扛拉力,屈服强度等是有一个等级分类的,也就是内六角螺栓的级别,内六角螺栓是什么级别的。不同的产品物料上,要求有不同等级的内六角螺栓与之相对应,内六角螺栓全有以下等级:
内六角螺栓按等级强度有分为普通的和高强度的。普通的内六角螺栓是指4.8级的,高强度的内六角螺栓是指8.8级以上的,包括10.9级和12.9级的。12.9级的内六角螺栓一般都是指带滚花的,本色的带油的黑色内六角杯头螺丝。
钢结构连接用内六角螺栓性能等级分3.6、4.6、4.8、5.6、6.8、8.8、9.8、10.9、12.9等10余个等级,其中8.8级及以上螺栓材质为低碳合金钢或中碳钢并经热处理(淬火、回火),通称为高强度螺栓,其余通称为普通螺栓。螺栓性能等级标号有两部分数字组成,分别表示螺栓材料的公称抗拉强度值和屈强比值。
1、按内六角对方直径钻孔,至要求。
2、用冷镦机镦出内六角。
3、单件可用六角冲子,用锤子冲出。
用途与沉头螺钉相似,钉头埋入机件中,连接强度较大,但须用相应规格的内六角扳手装拆螺钉。一般用于各种机床及其附件上。2
性能要求1、螺栓材质公称抗拉强度达400MPa级;
2、螺栓材质的屈强比值为0.6;螺栓材质的公称屈服强度达400×0.6=240MPa级。
性能等级10.9级高强度螺栓,其材料经过热处理后,能达到:
1、螺栓材质公称抗拉强度达1000MPa级;
2、螺栓材质的屈强比值为0.9;螺栓材质的公称屈服强度达1000×0.9=900MPa级。
内六角螺栓性能等级的含义是国际通用的标准,相同性能等级的螺栓,不管其材料和产地的区别,其性能是相同的,设计上只选用性能等级即可。
内六角螺栓的等级划分基本上就是这样了,等级的不同,市场上的价格肯定也就不同。一般高强度的内六角螺栓肯定是比普通内六角螺栓的价格要高的多。在市场上一般用的比较多的还是4.8级,8.8级,10.9级,12.9级这四种。
内六角螺栓头部打偏心了,打歪了,可能导致很严重的问题。比如说从产品外观来看,整体上不够美观。还有就是打偏心了,很容易导致生产工具冲针易断。最严重的还会导致内六角螺栓断头等等一系列的问题。
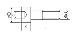
罗纹规格 | 头部尺寸 | 内六角尺寸 | 公称长度 | |
φd | 直径φD | 高度K | s | l |
M1.6 | 3 | 1.6 | 1.5 | 2.5-16 |
M2 | 3.8 | 2 | 1.5 | 3-20 |
M2.5 | 4.5 | 2.5 | 2 | 4-25 |
M3 | 5.5 | 3 | 2.5 | 5-30 |
M4 | 7 | 4 | 3 | 6-40 |
M5 | 8.5 | 5 | 4 | 8-50 |
M6 | 10 | 6 | 5 | 10-60 |
M8 | 13 | 8 | 6 | 12-80 |
M10 | 16 | 10 | 8 | 16-100 |
M12 | 18 | 12 | 10 | 20-120 |
M14 | 21 | 14 | 12 | 25-140 |
M16 | 24 | 16 | 14(12) | 25-160 |
M20 | 30 | 20 | 17(14) | 30-200 |
M24 | 36 | 24 | 19(17) | 40-200 |
M30 | 45 | 30 | 22(19) | 45-200 |
M36 | 54 | 36 | 27(24) | 55-200 |
本词条内容贡献者为:
王强 - 副教授 - 西南大学