香肠火腿,对于吃货们来说简直就是难以抗拒的美食。在购买香肠的时候,有的人关心品牌,有的人关心口味,还有的人关心含肉量。

吃香肠看到肉确实是件让人兴奋的事情,所以为了让人们觉得“火腿里面都是肉”,货架上出现了很多无淀粉火腿。

无淀粉火腿真的没淀粉吗?

其中的含肉量更多吗?

还有价格超贵的金华火腿,究竟贵在哪儿?

01 无淀粉火腿没淀粉?

想法挺美好,现实很打脸

现在很多火腿都标榜着“无淀粉”,但是这并不意味着里面没有淀粉,只不过是淀粉的含量比较低,低到根本吃不出来。

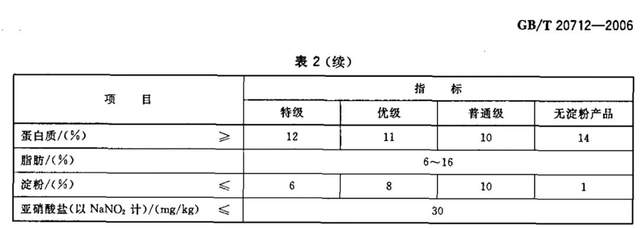
根据我国火腿肠的执行标准GB/T 20712-2006,火腿肠可以分为4个等级(见下图),而当淀粉含量≤1%、蛋白质含量≥4%的时候,可以声称为无淀粉火腿。[1]

▲图片来源:GB/T 20712-2006标准截图

有的商家为了综合口味,还会在香肠里面加入白砂糖,就比如下图这款:

▲图片来源:电商平台

所以,要明白你买到的无淀粉火腿并不是没有淀粉,只不过是含量比较少,吃不出来而已。

如果正在减肥,建议购买无淀粉火腿的时候一定要看看配料表,尽量选择没有添加糖的。

02 无淀粉火腿都是瘦肉?

并不是

一听“无淀粉”,第一感觉就是——全是肉?但事实并非如此。

无淀粉火腿只不过是淀粉含量降低了,但是肉量也许并没有增加,增加的只是大豆蛋白,也可能是猪皮。

先来看看普通有淀粉的火腿:配料中主要是鸡肉、水、麦芽糖、大豆蛋白、淀粉:

▲图片来源:电商平台

而下图这两款是无淀粉火腿,在配料表可以看到有猪皮,其中也含有大豆蛋白,相对比于普通的火腿肠,无淀粉火腿的大豆蛋白含量会更高一些:

▲图片来源:电商平台

▲图片来源:电商平台

猪皮中的蛋白质含量比较高,为27.4g/100g,比猪瘦肉的20.3g/100g还要高一些[2],并且其中的蛋白质主要是胶原蛋白,融化以后再凝固会成为有弹性的皮冻。加到香肠里面,不仅可以替代淀粉让香肠更好的成型,增加韧性,口感也会提升。

但是,需要告诉大家的是猪皮的加入虽然可以增加产品蛋白质的含量,但是胶原蛋白属于不完全蛋白。首先它的吸收利用率很差,其次胶原蛋白并不会直接跑到你的脸上来增加皮肤的弹性,要先消化成氨基酸,吸收入血,优先被脏器利用。

所以,无淀粉火腿并不全是瘦肉,倒是猪皮和大豆蛋白含量多了些,比如上图绿色的那款,其中的蛋白质含量比纯肉的金华火腿都要高。

03 金华火腿贵所以健康?

吃多了对高血压不友好

金华火腿一般很少有人购买,多数是买来送礼的,因为它真的……太贵了……一个的价格几乎都是两三百,有的甚至五六百。

所以,有的人会说,既然这么贵,那应该很健康喽。作为金华市的特产,金华火腿一方面卖的是名气,另外其中的肉含量确实高。但贵并不意味着就健康,就可以放开吃、敞开吃。

金华火腿的配料表一般都是:猪后腿、盐、亚硝酸钠,看看下图这款金华火腿的营养成分表:

▲图片来源:电商平台

我们需要关注的是钠含量:每100g含钠4430mg,相当于11g的盐了。如果吃100g这样的火腿肉,盐的摄入量妥妥超过了《中国居民膳食指南》推荐摄入量6克/天的83%了[3],高盐饮食不仅会增加高血压的风险,也会增加胃癌的风险。

所以,对于金华火腿,偶尔吃一些尝尝鲜没问题,但是每次最好控制在20~30g,同时建议减少这一天其他饮食的盐摄入量,大约需要减少的量为2~3g(半个啤酒瓶盖的量)。

总结一下:

  • 无淀粉火腿并不都是瘦肉,也有淀粉,只不过是含量少而已;金华火腿含盐量超高,吃的时候得少吃。

  • 加工肉制品有一定致癌风险,腊肉、腊肠、火腿等加工肉制品已经被WHO下属的国际癌症研究机构(IARC)列为1类致癌物。

  • 能少吃还是少吃,偶尔馋了吃点解解馋,同时建议搭配新鲜的蔬果,降低对健康的影响。

参考文献:

[1] .GB/T 20712-2006 火腿肠http://down.foodmate.net/standard/yulan.php?itemid=11009

[2].杨月欣.中国食物成分表第6版第2册[M].北京大学医学出版社,2018

[3].中国营养学会.中国居民膳食指南[M].人民卫生出版社,2016

本文首发于科学辟谣平台


来源: 原创